全国24小时空降平台网站微信免费月抛群2025 ,本人女单身电话微信号加100块约3小时上门人到付款 ,阳谷上门卖身电话50元是多少 ,com.51tea.pincha

186-8973-5688
当前位置:主页 > 技术支持 >

在自动并联柴油发电机组中的应用

2019-04-08
来源: 未知
一、引言
可编程控制器简称PLC,是20世纪60年代以来发展极为迅速、应用面积极为广泛的工业控制装置,是现代工业自动化的三大支柱之首。它采用可编程序的存储器,用来存储用户指令,通过数字或模拟的输入/输出,完成确定的逻辑、顺序、定时、计数、运算和一些确定的功能,来控制各种类型的机械设备或生产过程。当今PLC吸取了微电子技术和计算机技术的最新成果,以单片机自动化到整条生产线的自动化乃至整个工厂的生产自动化;从柔性制造系统、工业机器人到大型分散控制系统,PLC均承担着重要角色。
自动化柴油发电机组用PLC控制具备很多优点,它主要通过软件控制,从而省去了硬件开发工作,外围电路很少,大大提高了系统的可靠性与抗干扰能力;由于它简单易行的可编程序功能,无须改变系统的外部硬件接线,便能改变系统的控制要求,从而使系统的“柔性”大大提高;同时由于PLC是专门为工业控制设计的,在设计和制造过程中采用了多层次抗干扰和精选元件措施,可在恶劣的环境下与强电设备一起工作,保证了发电机组运行的稳定和可靠。
自动并联柴油发电机组是在自动化柴油发电机组的基础上,将PLC与GPC(机组并联控制器)结合使用,可实现多台机组的自动启动及并联工作,其工作可靠、测量精度高、操作使用方便,可广泛应用于军、民等单位,作为主电站或备用电站使用。
二、可实现的主要功能
自动并联柴油发电机组应具备以下基本要求:
1、自动启动
当正常供电出现故障(断电)时,机组能自动启动、自动升速、自动合闸,向应急负载供电。
2、三次启动功能
机组有三次启动功能,若第一次启动不成功,经延时后再次启动,若第二次启动不成功,则延时后进行第三次启动,延时时间可设定。三次启动中只要有一次成功,就按预先设置的程序往下运行;若连续三次启动均不成功,则视为启动失败,发出声光报警信号(也可以同时控制另一台机组启动)。
3、自动?;?br /> 当正常供电恢复,经判断正常后,控制切换开关,完成备用电到正常电的自动切换,然后控制机组降速到怠速、?;?br /> 4、自动?;?br /> 机组在运行过程中,如果出现油压低、水温高、超速、逆功、电压异常等故障则发出声光报警信号(或紧急?;?,提醒操作人员进行干预。
5、自动并联及解列
当负载达到单机功率的规定数值(可设定),并持续规定的时间(可设定),备用机组能自动启动,并自动投入并联运行;当负载低于单机功率的规定数值(可设定),并持续规定的时间(可设定),备用机组能自动解列并?;?。
6、自动调频、调载
7、自动维持准启动状态
机组能自动维持准启动状态,此时,机组的自动周期性预供油系统、油和水的自动加温系统、蓄电池的自动充电装置投人工作。
8、具备手动、自动两种操作模式。
伊华电站设计生产的采用PLC及GPC控制的自动并联柴油发电机组,如DPR1000CXZ5、DPR500CXZ5、CZ150等,广泛应用于部队、石油、公路、电信等部门。
以CZ150方舱电站为例,主配电系统图见
 
其自动并联功能由PLC及GPC共同实现,可分别完成对2台机组的手动远控起动、停止、升速、降速、合闸、分闸及自动并联功能。
在自动状态下,当市电失电时,PLC可控制2台机组按预先选定的顺序自动起动,起动成功后机组自动升速并自动合闸,向负载供电。每台机可经过三次起动循环,若三次起动不成功,则发出相应的“启动失败”信号,若起动成功并升速至额定转速后,经过10秒钟(可设定),主开关未能合闸,则发出相应的“输出故障”报警信号,并自动?;涣硪惶ū赣没远鸲?。机组运行中,若负载超过单台机组额定负载的80%,并持继5秒时,PLC自动启动第二台备用机,且自动升速,并自动整步并车。若待并机经2分种后,仍未能并车成功 ,则发出并车失败信号。并联成功后,GPC将自动进行调频调载,使有功分配差度不超过10%。当并联运行的负荷小于两台机组总额定负载的20%并持继10秒后,PLC和GPC将自动解列投入并联的机组,怠速3分钟后自动?;?。当并联运行中一台机组出现柴油机或发电机故障时,其主开关将自动跳闸。运行中若出现柴油机或发电机故障,系统将发出相应的声光报警,按下“消音”按钮,声报警消失。故障排除后,必须按一下“故障复位”按钮,系统恢复正常。当市电来电后,运行机组将按程序自动解列?;5被榈∷?分钟后,PLC将发出停机信号,若经30秒后,机组未能?;?,PLC将发出“停机失败”报警信号。
三、硬件设计
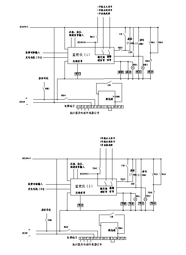
以CZ150方舱电站为例,用PLC及GPC实现对柴油发电机组的自动并联控制,其控制系统图见图二。
1.控制系统组成
该控制系统由三大部分组成:PLC控制部分;GPC控制部分,由于是两台机组并联,共两套;机组监控仪部分,两套。GPC控制部分及机组监控仪部分都采用现成的控制器在此不做详细介绍。
机组监控仪可实现对机组运行参数的采集及监测,对柴油机油压低、水温高、超速等故障发出报警信号,并实施?;;?。
GPC是机组并联控制器(Generator Paralleling Controller)的简称,它是DEIF公司为机组并联功能的实现而设计的,具有静态同步,动态同步,机组固定负荷(基本负荷) 运行,单机固定频率运行,负荷分配,调速器继电器控制输出,继电器输出控制主开关分/合闸,可调发电机负荷上升/下降垂线,备用发电机自动起/停继电器输出(高/底负荷)等标准控制功能;同时可实现机组运行中的逆功和过流?;?。该控制器配有RS232显示和服务接口,可实现远程监测。
根据上节CZ150方舱电站的功能要求,可编程控制器选择西门子S7-300(带输入、输出??椴⑴浔窻OM-H存储器),由于可编程控制器PLC输出触点的容量较小,通常只能驱动2A以下的负载,大容量负载必须通过固体继电器控制,重要控制部分还采用外部互锁结构。
2.控制系统分析
根据控制要求及控制系统图,PLC输入、输出信号分配见表一
机组具有自动及手动功能,手动功能在此不作介绍,下面介绍自动控制线路。
a.自动启动
将机组手动/自动开关置于自动位,PLC  37输入端口得到自动运行信号,PLC程序开始运行扫描,程序状态选择输入端口(33、34、35),分别对应不同的程序运行方式:主电失电时,1号机启动,2号机为备机;主电网失电时,1号机、2号机同时启动,先启动成功的合闸送电,另一机组?;霰富?;主电网失电时,2号机启动,1机为备机。下面以主电失电时,1号机启动,2号机为备机进行分析,其它类同。
当主电失电时, PLC  32输入端口得到失电信号,PLC  2输出端口发出1号机启动信号,11K继电器线圈得电,11K常开触点闭合,监控仪1启动输入端头得到启动信号,1号机组启动,PLC  2输入端口得到1号机点火信号, PLC  6输出端口发出1号机高速信号,15K继电器线圈得电,15K??サ惚蘸?,电调控制柴油机至高速, PLC  3输入端口得到1号机高速信号, GPC1 发合闸信号, 1号主开关合闸送电。
b.三次启动
若一次启动未成功,则PLC  2输入端口未得到1号机点火信号,由PLC内部的定时器来控制进行再次启动,以10秒作为一个周期,三次启动时间约30秒,32秒后输出报警,同时PLC  12输出端口发出2号机启动信号,21K继电器线圈得电,21K??サ惚蘸?,监控仪2启动输入端头得到启动信号,2号机组启动,PLC  12输入端口得到2号机点火信号, PLC  16输出端口发出2号机高速信号, 25K继电器线圈得电 , 25K常开触点闭合, 电调控制柴油机至高速,PLC  13输入端口得到2号机高速信号,GPC2 发合闸信号,2号主开关合闸送电。
c.自动停机
主电得电时,PLC  32输入端口未得到失电信号,GPC1发分闸信号柴油机分闸,PLC  6输出端口无信号,输出15K继电器线圈失电,15K??サ愣峡?,电调控制柴油机至低速,PLC  2输入端口得到1号机低速信号,PLC  3输出端口发出1号机?;藕?,12K继电器线圈得电,12K??サ惚蘸?,6KA2继电器线圈得电,6KA2常闭触点断开,6KA4继电器线圈失电,6KA4??サ愣峡绲魇У?,机组停机。
d.自动并联及调频、调载
1号机组运行中,若负载超过单台机组额定负载的80%,并持继5秒时,GPC2  61端口发起备机信号,PLC 16端口得到2号机起备机信号,PLC  12输出端口发出2号机启动信号,21K继电器线圈得电,21K常开触点闭合,监控仪2启动输入端头得到启动信号,2号机组启动,PLC  12输入端口得到2号机点火信号, PLC  16输出端口发出2号机高速信号, 25K继电器线圈得电 ,25K??サ惚蘸?,电调控制2号柴油机至高速,PLC  13输入端口得到2号机高速信号,PLC  14输出端口发出2号机允许并车信号,23K继电器线圈得电,23K继电器??サ愕玫纾珿PC2  25输入端口得到允许并车信号,通过调速、调压端口输出信号对2号机组进行调整,GPC2计算同步后17、18端口发同步合闸信号,2号主开关合闸并联供电,并联成功后,GPC将自动进行调频调载,使有功分配差度不超过10%。
当并联运行的负荷小于两台机组总额定负载的20%并持继10秒后,PLC  15端口发解列信号,24K继电器线圈得电,24K??サ惚蘸希珿PC2  43端口得到解列信号,GPC2  14、15端口发分闸信号,2号机组分闸,GPC2  63端口发停备机信号,PLC  17输入端口得到2号机停备机信号, PLC  16输出端口无信号,输出25K继电器线圈失电,25K??サ愣峡?,电调控制柴油机至低速,PLC  12输入端口得到2号机低速信号,PLC  13输出端口发出2号机?;藕?,22K继电器线圈得电,22K??サ惚蘸?,7KA2继电器线圈得电,7KA2常闭触点断开,7KA4继电器线圈失电,7KA4常开触点断开,电调失电,2号机组?;?。
e.故障自动?;?br /> 故障?;び苫榧嗫匾抢床杉樵诵兄械挠突问?,如油压、水温、转速等;由GPC 来监测发电机电压、电流等参数,最终通过PLC及监控仪来实现机组的自动?;すδ?。CZ150方舱电站具有如下报警功能:机油压力低报警?;?、水温高报警停机、超速报警?;?、电瓶电压低报警、GPC故障报警、逆功报警?;?、油箱油位低报警、启动失败报警、电压故障报警、停机失败报警、输出故障报警等。同时自动控制屏上设有“消音”和“复位”按钮来处理报警信号,按“消音”按钮,报警音响信号消失;按“复位”按钮,故障消除时,故障记忆消除,若故障未消除,故障记忆仍有效,提醒用户干预。
自动控制屏上还设有“紧急?;?rdquo;按钮,在任何情况下只要按“紧急停机”按钮便能自动?;垂收洗?,以便有效的?;せ?。
四、控制系统逻辑图设计
PLC采用以标准布尔表达式(AND、OR、ONT)为基础的简便语言,当程序未固化时,用户可根据自己的要求更改,以满足特殊要求。
根据上节描述,自动并联柴油发电机组程序控制逻辑图见图三。其程序设计简要介绍如下:
为完成自动控制任务,S7-300 CPU提供两类基本指令,同时基于计算机的编程软件AETP 7-MICRO/WIN32提供不同的编程器选择,可以利用这些指令创建机组控制程序,并可利用AETP 7-MICRO/WIN32将编写好的程序下装到CPU, S7-300 CPU程序由三个基本元素组成,主程序、子程序(可?。?、和中断程序(可?。?,S7-300连续地执行用户程序,主程序中的指令按顺序在CPU的每个扫描周期执行一次,可以调用不同的子程序和中断程序。
五、结论
采用PLC控制的自动并联柴油发电机组,硬件简单,技术经济指标好,可靠性高,程序稍作修改,就可以满足用户不同的控制要求。
与传统的继电器控制系统相比,采用PLC控制方式的机组控制线路简单,因此控制系统的可靠性高,同时可扩展性好,通过通信网络能够非常方便的把电站控制纳入到中央管理系统中去,利用计算机及网络技术、软件工程、通信技术及测控技术等现代手段,实现集中监控管理系统,即实现对被控设备的遥信、遥测和遥控。
 


内容版权声明:除非注明,否则皆为海南康明斯发电机组原创文章。

转载注明出处:http://m.ohtcw.cn/jishuzhichi/576.html